Контакты
Новости
Каталоги
Наличие по Excel
 Войти
Сортировать:
Сначала новые
Сначала старые
Цена ↑
Цена ↓
Кол-во ↑
Кол-во ↓
Имя A→Я
Имя Я→A
Серийник ↑
Серийник ↓
84165726 - Блок управления осн. в подлокотнике TGT8/Mg., TJT9/St.
493 070 ₽
504356836 - Ролик обв. 73мм ремня ген. и насоса вод. ДВС Cursor9 T8./Mg., Axion9, CX6
29 569 ₽
84372057 - Фильтр масляный ДВС TJ/St. STX
4 534 ₽
504315786 - Натяжитель ремня ген. и насоса вод. ДВС Cursor9T T8./Mg., T6/Maxx.
27 188 ₽
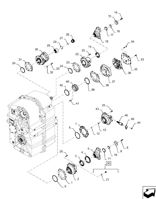
84315338 - Фланец вала 2го КПП TJT9./St.
81 148 ₽
84373502 - Ремень прив. ген., насоса вод., компр. конд. ДВС T8./Mg. 11 14г.в., Axion9
5 654 ₽
47677096 - сальник
4 602 ₽
47533795 - Ремень привода вала соломотряса 3140мм CX6
14 492 ₽
84412164 - Фильтр топл. тонк. оч. 10мк ДВС Cursor7CR T7/Puma, T6090/80, TC5
1 425 ₽
86623593 - Подшипник кон. в сб. вала КПП / редукт. ДВС TJ T9./St. CX8, CR
23 471 ₽
504122542 - Блок упр. ДВС Cursor9/10/13 вся техн. CNH, Axion9
161 104 ₽
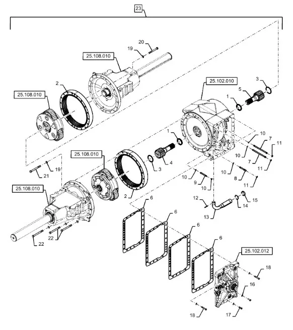
226494A2 - Прокладка толщ. 0,13мм крышки дифф. моста TJT9./St.
7 155 ₽
279710A1 - Кольцо толщ. 0,101мм муфты торм. редуктора моста 500сер. TJT9./St.
7 630 ₽
247881A1 - Кольцо упл. муфты торм. моста TJT9./St.
7 758 ₽
210034 - Подшипник вала верхнего привода кам. накл. ТС5
3 693 ₽
427562A1 - Шайба толщинная 0,7 мм фланца крестовины КПП TJT9./St.
3 521 ₽
87554854 - Задний брызговик
42 001 ₽
84286727 - Патрубок возд. впускной ДВС T8./Mg. 1114г.в.
94 852 ₽
238-6373 - 6373 Кольцо упл. хвостовика моста заднего Т9./St.
1 813 ₽
47809628 - Компрессор конд. (7H15, 8 руч. муфта) TG T8./Mg., TJT9./St.
67 507 ₽
47403798 - Шайба толщинная 0,1мм фланца вала вх./2го КПП TJT9./St.
1 260 ₽
378758A2 - Демпфер ДВС Cursor13/CumminsQSX TJ T9./St.
273 456 ₽
370568A1 - Держатель вала 5го КПП TJT9./St.
38 204 ₽
238-5327 - 5327 Кольцо упл. TJT9./St., 2366/88, 6130/40
194 ₽
«
<
1
...
3
4
5
6
7
...
34117
>
»
Страница:
Перейти